欢迎来到西安云仪仪器仪表有限公司官方网站!
老版网站
首页
关于我们
产品展示
客户案例
新闻中心
联系我们
资料下载
公司介绍
荣誉资质
生产车间
校准仪表
物(液)位仪表
分析仪表
压力仪表
工业物联网仪表
流量仪表
水利地质监测仪表
案例展示
样机申请
公司新闻
行业新闻
4000-118-588
首页
关于我们
公司介绍
荣誉资质
生产车间
产品展示
校准仪表
物(液)位仪表
分析仪表
压力仪表
工业物联网仪表
流量仪表
水利地质监测仪表
客户案例
案例展示
样机申请
新闻中心
公司新闻
行业新闻
联系我们
当前位置:
首页
>
流量仪表
>
齿轮流量计
产品展示
分析仪表
差压密度计
直管密度计
音叉密度计
压力仪表
压力变送器
压力控制仪表
压力配套仪表
数字压力表
机械式压力表
工业物联网仪表
无线压力仪表
无线流量仪表
无线液位仪表
无线温度仪表
校准仪表
仪表附件
全自动压力校准系统
其他计量仪表
手动压力校验台
数字压力校验仪
活塞式压力计
温度仪表校准
水利地质监测仪表
地质监测系列
明渠水位系列
智慧方案类
流量仪表
其他流量计
气体流量计
涡街流量计
涡轮流量计
电磁流量计
罗茨流量计
质量流量计
齿轮流量计
物(液)位仪表
液位变送器
磁浮子液位计
超声波液位计
雷达液位计
预付热网计量实施方案
欢迎您随时来电咨询
4000-118-588
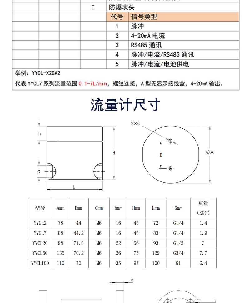
齿轮流量计
YYCL系列齿轮流量计是根据齿轮马达原理研发的一种新型容积式流量计,用于精密的连续或间断的测量管道中液体的流量或瞬间流量,适合于重油、聚乙烯醇、树脂等粘度较高介质的流量测量,微小流量即可准确计量。
4000-118-588
产品详情
齿轮流量计
分享
微信
分享到微信
×
微信
浏览器自带分享功能也很好用哦~
YYCL系列齿轮流量计是根据齿轮马达原理研发的一种新型容积式流量计,用于精密的连续或间断的测量管道中液体的流量或瞬间流量,适合于重油、聚乙烯醇、树脂等粘度较高介质的流量测量,微小流量即可准确计量。
资料下载
在线咨询
4000-118-588
专业工程师
一对一服务
上一个
热式气体质量流量计
下一个
智能旋进旋涡流量计
产品详情
图片介绍
视频介绍
典型应用
请使用手机微信扫描二维码
询价表单
标题
*
姓名
*
手机号
*
邮箱
*
内容
*
相关推荐
科里奥利质量流量计
智能温压流变送器
无显示齿轮流量计
一体式孔板流量计
您的浏览器不支持 HTML5 video 标签
选择区号
在线客服