一、产品概述
YK-120B 超稳数字压力表传感器采用单晶硅压力传感器、蓝宝石传感器等,时漂更小,稳定性更好,压力范围更宽,属于100 系列升级款,采用铸铝外壳,外观更加美观。 精密数字压力表采用高精度低功耗大规模集成电路为核心器件,主要由高精度测量芯片、电池充电保护电路、传感器和信号处理电路组成。 该产品采用微处理器对仪表零点漂移,非线性等进行自动补偿、修正,采用高稳定度压力传感器等高性能器件,确保仪表精度和可靠性。该仪表可自行设定各种功能参数,应用灵活,且有各种功能可选定,可用作较高准确度压力校准标准器(表),也可用作工作仪表、电力、冶金、石油、化工等行业实验室和现场进行计量和科研 。
二、产品用途
用于校验压力(差压)变送器、精密压力表、普通压力表
用于高精度压力测量
三、技术参数
量程:-0.1-250MPa(范围内选择)
压力模式:表压,绝压,密封表压
精度:0.05 级,0.02 级
通讯方式:无通讯,RS485 通讯
环境温度:(-10~50)℃
相对湿度:<95%;
大气压力:(86~106)kPa;
存储温度:(-20~70)℃。
白色背光,5位/6 位数字显示,带进度条显示
内部电池供电 / 外部直流 9V 电压供电 / 外部直流 24V 电压供电/定制
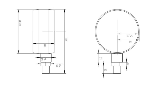
外形尺寸:Φ120mm×58mm;
重量:约 0.5kg;
压力连接:M20 × 1.5mm;
1.2 倍过载
四、产品选型

五、螺纹连接方式

六、仪表尺寸

一、产品概述
YK-120B 超稳数字压力表传感器采用单晶硅压力传感器、蓝宝石传感器等,时漂更小,稳定性更好,压力范围更宽,属于100 系列升级款,采用铸铝外壳,外观更加美观。 精密数字压力表采用高精度低功耗大规模集成电路为核心器件,主要由高精度测量芯片、电池充电保护电路、传感器和信号处理电路组成。 该产品采用微处理器对仪表零点漂移,非线性等进行自动补偿、修正,采用高稳定度压力传感器等高性能器件,确保仪表精度和可靠性。该仪表可自行设定各种功能参数,应用灵活,且有各种功能可选定,可用作较高准确度压力校准标准器(表),也可用作工作仪表、电力、冶金、石油、化工等行业实验室和现场进行计量和科研 。
二、产品用途
用于校验压力(差压)变送器、精密压力表、普通压力表
用于高精度压力测量
三、技术参数
量程:-0.1-250MPa(范围内选择)
压力模式:表压,绝压,密封表压
精度:0.05 级,0.02 级
通讯方式:无通讯,RS485 通讯
环境温度:(-10~50)℃
相对湿度:<95%;
大气压力:(86~106)kPa;
存储温度:(-20~70)℃。
白色背光,5位/6 位数字显示,带进度条显示
内部电池供电 / 外部直流 9V 电压供电 / 外部直流 24V 电压供电/定制
外形尺寸:Φ120mm×58mm;
重量:约 0.5kg;
压力连接:M20 × 1.5mm;
1.2 倍过载
四、产品选型

五、螺纹连接方式

六、仪表尺寸
